How To Make Simple Inductance Meter

What Is Lcr Meter Block Diagram Working And Use Of Meter

The Rlc Meter Measuring Inductance And Capacitance

How To Make A Inductance Meter Using Arduino

Precision Inductance Tester Uk Vintage Radio Repair And

Inductance Meter Adapter Measure Inductance With

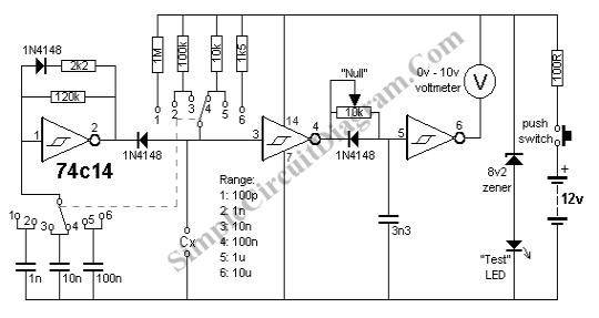
Telderopart Inductance Meter Circuit

Oscilloscope Inductance Meter
What S Inductance Meter Quora

Precision Inductance And Capacitance Meter Eeweb Community

Arduino Lcr Meter Ideas Pic Tutorials

Lcr Meter Working Principle And Uses Science Struck

Edn Cheap And Easy Inductance Tester Uses Few Components

How To Diy Make An Easy Q Meter Inductance Tester Circuit For Ferrite Core Coil And More

10 Best Lcr Meter Of 2020 For Ultimate Measurement

Inductance Meter As Simple As Possible
Comments
Post a Comment